2026.02.25
道路照明器具用の変換アダプター
安⼼な電源設備をあなたのもとへ
道路照明器具をポールに設置する取付部は、φ60.5またはφ48.6の寸法が一般的です。
従来の照明器具からLED照明器具へスムーズに交換できるようになってます。



しかしながら、以下のようなデザイン照明では取付部が特殊なものがあり
通常通りに設置出来ない場合があります。


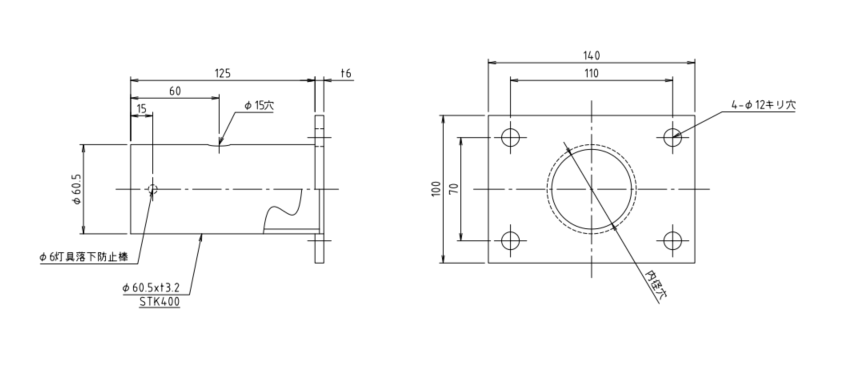
取付部がプレートのため、このままではLED照明器具を設置できません。
設置するためには特注の変換アダプターが必要です。
まずは取付部の寸法を測定します。


測定した寸法通りに図面を作成し、変換アダプターを製作をします。


プレートとφ60.5の取付部が一体となった変換アダプターの完成です。
照明器具に取付けると以下のようになります。



ポールに照明器具を設置します。

取付部のボルト・ナットにマークをして次回点検時に緩みがないか確認します。

四角ポールのデザイン照明も対応できます。
既設照明器具

LED照明器具

様々なパターンで検討いたしますので交換が難しそうと思われている
照明器具がございましたらお問い合わせください。
お問い合わせ
省エネ、防災、減災など安心の電源設備に関するお困りごと、課題解決はお気軽にご相談ください。
安⼼な電源設備をあなたのもとへに関する資料はこちら関連ページ
Power supply
安⼼な電源設備をあなたのもとへ
産業⽤蓄電池や発電システムなど安⼼の電源設備を、設計・施⼯から保守まで⼀貫して提供します
この記事はTECS事業部が執筆しました。
関連記事
おすすめ記事
2023.07.19
GSユアサの工場で、お客様自身による立会検査が可能です
安⼼な電源設備をあなたのもとへ
2021.12.01
作業員全員、蓄電池設備整備資格者!
安⼼な電源設備をあなたのもとへ
2023.06.21
福井の皆様へ 新たな電源ラインナップを越前がにと共に
安⼼な電源設備をあなたのもとへ
人気記事
2024.01.24
蓄電池設備の消防法令改正を解説します!
安⼼な電源設備をあなたのもとへ
2021.10.27
一次電池と二次電池の違いについて
安⼼な電源設備をあなたのもとへ
2022.03.03
触媒栓って何?いつ交換するの?
安⼼な電源設備をあなたのもとへ
2022.11.25
蓄電池銘板のセルと個数の関係について解説(注意!)
安⼼な電源設備をあなたのもとへ
2022.08.05
直流電源装置って何に使うの??
安⼼な電源設備をあなたのもとへ
2021.06.23
直流電源装置の整流器容量選定について
安⼼な電源設備をあなたのもとへ
2021.05.24
蓄電池設備には標識設置基準があることをご存じですか?
安⼼な電源設備をあなたのもとへ
2023.05.26
非常用発電機設置には関係官公庁への届け出が必要です!
安⼼な電源設備をあなたのもとへ
2023.09.28
バッテリー液が流出!?もしもの時に備えて中和講習!
安⼼な電源設備をあなたのもとへ
2024.11.13
【蓄電池設備の消防法認定品とは?】
安⼼な電源設備をあなたのもとへ